Engineers need to know what standard drum dimensions are typically used in order to plan long cable systems where transportation becomes a very important topic.
Posted 2026-01-25
Categories:
Tips and tricks
You find here the dimensions (in mm) of standard drums based on three German DIN standards.

| DIN 46391 | |||||||
|---|---|---|---|---|---|---|---|
| d1 | d2 | d4 | d5 | e | l1 | l2 | Vol |
| 710 | 355 | 80 | 30 | 100 | 550 | 400 | 119 |
| 800 | 400 | 40 | 151 | ||||
| 900 | 450 | 50 | 160 | 710 | 560 | 267 | |
| 1000 | 500 | 330 | |||||
| 1250 | 630 | 900 | 710 | 650 | |||
| 1400 | 710 | 812 | |||||
| 1600 | 800 | 300 | 1120 | 900 | 1357 | ||
| 1800 | 1000 | 125 | 1584 | ||||
| 2000 | 1000 | 1360 | 1120 | 2638 | |||
| 1250 | 2144 | ||||||
| 2240 | 1120 | 400 | 3309 | ||||
| 1400 | 1450 | 1220 | 2928 | ||||
| 2500 | 1250 | 1360 | 1120 | 4121 | |||
| 1400 | 1450 | 1220 | 4109 | ||||
| 1600 | 3534 | ||||||
| 1800 | 1690 | 1380 | 4983 | ||||
| 2800 | 1800 | 140 | 65 | 600 | 2000 | 1600 | 7238 |
| 3000 | 2000 | 6283 | |||||
| 3150 | 1800 | 8397 | |||||
| 2000 | 7442 | ||||||
| 3390 | 2000 | 9076 | |||||
| 2360 | 7103 | ||||||
| 3550 | 2000 | 10810 | |||||
| 2360 | 8837 | ||||||
| 3750 | 2360 | 200 | 80 | 1000 | 2240 | 1800 | 12006 |
| 2650 | 9952 | ||||||
| 4000 | 2650 | 12691 | |||||
| 2800 | 2500 | 2000 | 11535 | ||||
| 4250 | 2650 | 17341 | |||||
| 2800 | 16057 | ||||||
| 4500 | 2800 | 19493 | |||||
| 3000 | 17671 | ||||||
Vol = volume in dm$^3$
| DIN 46395 | ||||||||
|---|---|---|---|---|---|---|---|---|
| d1 | d2 | d3 | d4 | d5 | e | l1 | l2 | Vol |
| 315 | 125 | 71 | 36 | 8 - 16 | 71 | 236 | 200 | 13 |
| 160 | 190 | 160 | 9 | |||||
| 355 | 140 | 112 | 56 | 16 - 32 | 112 | 265 | 224 | 19 |
| 180 | 215 | 180 | 13 | |||||
| 400 | 160 | 300 | 250 | 26 | ||||
| 200 | 236 | 200 | 19 | |||||
| 450 | 180 | 335 | 280 | 37 | ||||
| 224 | 265 | 224 | 27 | |||||
| 500 | 200 | 140 | 375 | 315 | 52 | |||
| 250 | 300 | 250 | 37 | |||||
| 560 | 224 | 425 | 355 | 73 | ||||
| 280 | 335 | 280 | 52 | |||||
| 630 | 250 | 475 | 400 | 105 | ||||
| 315 | 375 | 315 | 73 | |||||
| 710 | 355 | 160 | 80 | 28 - 40 | 160 | 530 | 450 | 134 |
| 800 | 400 | 600 | 500 | 189 | ||||
| 900 | 450 | 670 | 560 | 267 | ||||
| 1000 | 500 | 750 | 630 | 371 | ||||
| 1120 | 560 | 850 | 710 | 525 | ||||
| 1250 | 630 | 950 | 800 | 732 | ||||
| 1400 | 710 | 40 - 63 | 300 | 1060 | 900 | 1029 | ||
| 1600 | 800 | 1180 | 1000 | 1508 | ||||
| 1800 | 1000 | 200 | 100 | 1320 | 1120 | 1970 | ||
| 2000 | 1120 | 1500 | 1250 | 2696 | ||||
| 2240 | 1250 | 250 | 125 | 1700 | 1400 | 3799 | ||
| 2500 | 1500 | 1900 | 1600 | 5027 | ||||
| 2800 | 1800 | 280 | 140 | 2120 | 1800 | 6503 | ||
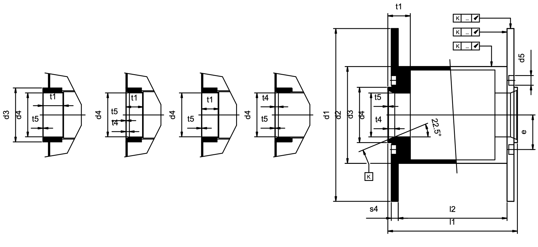
| DIN 46397 | |||||||||||
|---|---|---|---|---|---|---|---|---|---|---|---|
| d1 | d2 | d3 | d4 | l1 | l2 | d5 | e | t1 | t4 | t5 | Vol |
| 160 | 90 | - | 80 | 118 | 95 | - | - | 40 | 13 | 1 | 1 |
| 200 | 112 | 100 | 150 | 118 | - | - | 50 | 16 | 2 | 3 | |
| 125 | 2 | ||||||||||
| 140 | 2 | ||||||||||
| 224 | 125 | 100 | 170 | 140 | 4 | ||||||
| 140 | 3 | ||||||||||
| 160 | 3 | ||||||||||
| 140 | 160 | 127 | 190 | 160 | - | - | 63 | 20 | 2 | 5 | |
| 250 | 160 | 5 | |||||||||
| 180 | 4 | ||||||||||
| 315 | 180 | 160 | 127 | 236 | 200 | 16 | 100 | 11 | |||
| 200 | 9 | ||||||||||
| 224 | 8 | ||||||||||
| 355 | 200 | 160 | 127 | 212 | 180 | 12 | |||||
| 200 | 265 | 224 | 15 | ||||||||
| 224 | 13 | ||||||||||
| 250 | 11 | ||||||||||
| 400 | 224 | 160 | 127 | 236 | 200 | 28 | 100 | 63 | 20 | 2 | 17 |
| 224 | 300 | 250 | 22 | ||||||||
| 250 | 19 | ||||||||||
| 280 | 16 | ||||||||||
| 450 | 250 | 160 | 127 | 265 | 224 | 25 | |||||
| 250 | 355 | 280 | 31 | ||||||||
| 280 | 27 | ||||||||||
| 315 | 23 | ||||||||||
| 500 | 280 | 160 | 127 | 300 | 250 | 34 | |||||
| 280 | 375 | 315 | 43 | ||||||||
| 315 | 38 | ||||||||||
| 355 | 31 | ||||||||||
| 560 | 315 | 160 | 127 | 355 | 280 | 47 | |||||
| 315 | 425 | 355 | 60 | ||||||||
| 355 | 52 | ||||||||||
| 400 | 43 | ||||||||||
| 630 | 355 | 160 | 127 | 375 | 315 | 67 | |||||
| 355 | 475 | 400 | 86 | ||||||||
| 400 | 74 | ||||||||||
| 450 | 61 | ||||||||||
| 710 | 400 | 300 | 250 | 425 | 355 | 40 | 170 | 125 | 40 | 3 | 96 |
| 400 | 530 | 450 | 122 | ||||||||
| 450 | 107 | ||||||||||
| 500 | 90 | ||||||||||
| 800 | 450 | 300 | 250 | 425 | 355 | 137 | |||||
| 450 | 600 | 500 | 172 | ||||||||
| 500 | 1153 | ||||||||||
| 560 | 128 | ||||||||||
| 1000 | 560 | 200 | 250 | 750 | 630 | 50 | 250 | 125 | 40 | 3 | 340 |
| 630 | 298 | ||||||||||
| 710 | 245 | ||||||||||
| 1250 | 710 | 300 | 250 | 950 | 800 | 665 | |||||
| 800 | 580 | ||||||||||
| 900 | 473 | ||||||||||